Toggle navigation
O spoločnosti
Kategórie produktov
Dlážkovica a tatranský profil
Dlážkovica a tatranský profil
Drevené lišty
Drevotrieskové dosky
Egger
Kronospan
Europlac
Drevovláknité dosky - MDF a HDF
MDF surové
MDF dýhované EUROPLAC
MDF acrylic Kronospan
HDF surová
HDF lakovaná
Drezy
Franke
Blanco
Alveus
Schock
TEKA
Dvere, zárubne, kľučky
Dvere
Zárubne
Kľučky
HRANY - ABS a laminohrany
Lepidlá a tmely
Pattex
Silikóny a peny
Ceresit
Nábytkové dvierka
Nábytkové kovanie
BLUM
Klzáky plastové
Konzoly
Kovanie na posuvné dvere OMEGA
Kovanie na posuvné dvere FAST 50kg
Kovanie na posuvné dvere TERNO 60kg
Nábytkové kolieska
Nábytkové zámky
Podperky
Rektifikačné kovanie Bystrica
Stolové nohy
Tyčový systém
Výsuvy, zásuvky
Nábytkové úchytky a vešiaky
Nábytkové úchytky
Rustikálne úchytky
Detské úchytky
Vešiaky
OBS 3 dosky
Decowall
Podlahy
EGGER laminate
Lišty ARBITON LM55
Príslušenstvo k podlahám
Pracovné dosky
Egger kolekcia EDC2020-22
Kronospan Global Collection 3.0
Westag Getalit
Tesniace a spojovacie lišty
Preglejky
Škárovky
Obkladové panely ROCKO TILES
Služby
Galéria
Akcie
Kontakt
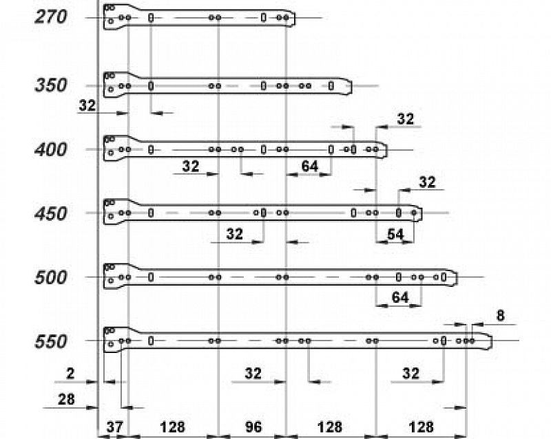
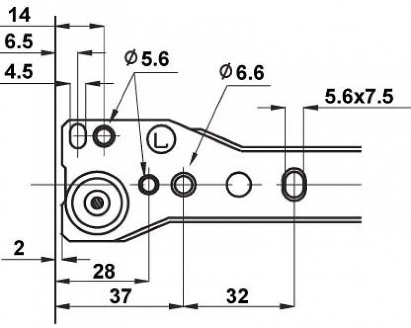
Zásuvkový výsuv s bočnicou
dostupné v prevedeniach :
270 mm
300 mm
350 mm
400 mm
450 mm
500 mm
550 mm
Close
Hľadať
ePrivacy and GPDR Cookie Consent by
TermsFeed Generator